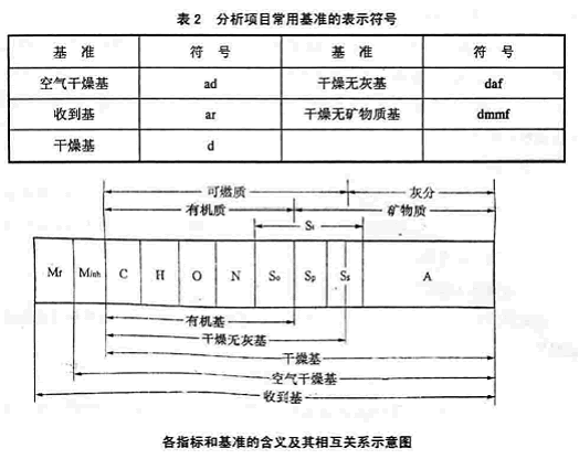
煤炭質量的基本指標一、水分( M ) 煤的水分分為兩種,一是內在水分( Minh ) ,是由植物變成煤時所含的水分;二是外水( Mf ) ,是在開采、運輸等過程中附在煤表面和裂隙中的水分.全水分是煤的外在水分和內在不分總和。一般來講,煤的變質程度越大,內在水分越低。褐煤、長焰煤內在水分普通較高,貧煤、無煙煤內在水分較低。 水分的存在對煤的利用其不利,它不僅浪費了大量的運輸資源,而且當煤作為燃料時,煤中水分會成為蒸汽,在蒸發時消耗熱量;另外,精煤的水分對煉焦也產生一定的影響。一般水分每增加 2 % ,發熱量降低 100kcal/kg( 大卡/千克);冶煉精煤中水分每增加 1 % ,結焦時間延長 5 - 10min . 二、灰分( A ) 煤在徹底燃燒后所剩下的殘渣稱為灰分,灰分分外在灰分和內在灰分。外在灰分是來自板和夾研中的巖石碎塊,它與采煤方法的合理與否有很大關系。外在灰分通過分選大部分能去掉。內在灰分是成煤的原始植物本身所含的無機物,內在灰分越高,煤的可選性越差。灰是有害物質.動力煤中灰分增加,發熱量降低、排渣量增加,煤容易結渣;一般灰分每增加 2% ? 發熱量降低 10okcal / kg 左右。冶煉精煤中灰分增加,高爐利用系數降低,焦炭強度下降,石灰石用量增加;灰分每增加 1 % ,焦炭強度下降 2 % ,高爐生產能九下降 3 % ,石灰石用量增加 4 % . 三、揮發分( V ) 煤在高溫和隔空氣的條件下加熱時,所排出的氣體和液體狀態的產物稱為揮發分。揮發分的主要成分為甲烷、氫及其他碳氫化合物等。它是鑒別煤炭類別和質量的重要指標之一。一般來講,隨著煤炭變質程度的增加,煤炭揮發分降低。褐煤、氣煤揮發分較高,瘦煤、無煙煤揮發分較低。 四、固定碳含量( FC ) 固定碳含量是指除去水分、灰分和揮發分的殘留物,它是確定煤炭用途的重要指標。從 100 減去煤的水分、灰分和揮發分后的差值即煤的固定碳含量。根據使用的計算揮發分的基準,可以計算出干基、干燥無灰基等不同基準的固定碳含量。 五、發熱量( Q ) 發熱量是指單位質量的煤完全的燃燒時所產生的熱量,主要分為高位發熱量和低位發熱量。煤的高位發熱量減去水的汽化熱即是低位發熱量。發熱量國際單位為百萬焦耳/千克( MJ/kg ) ,常用單位大卡斤克,換算關系為: 1MJ / kg =239 . 14kcal / kg ? 1J = 0.239gcal ? 1cal= 4 . l8J 。如發熱量 550kcaL/ g , 5500kcal / kg=550÷239 . 14 = 23MJ / kg . 為便于比較,我們在衡量煤炭時消耗時,要把實際使用的不同發熱量的煤炭換算成標準煤,標準煤的發熱量為 29 . 27MJ/kg ( 700okcal / kg )。國內貿易常用發熱量標準為收到基低位發熱量( Qnet,ar) ,它反映煤炭的應用效果,但外界因素影響較大,如水分等,因此 Qnet,ar 不能反映煤的真實品質。國際貿易通用發熱量標準為空氣干燥基高位發熱量( Qnet,ar) ,它能較為準確的反映煤的真實品質,不受水分等外界因素影響。在同等水分、灰分等情況下,空氣干燥基高位發熱量比收到基低位發熱量高 1.25MJ/g ( 300kcal / kg )左右. 六、膠質層大厚度( Y ) 煙煤在加熱到一定溫度后,所形成的膠質層大厚度是煙煤膠質層指數測定中利用探針測出的膠質體上、 F 層面差的大值。它是煤炭分類的重要標準之一。動力煤膠質層厚度大,容易結焦;冶煉精煤對膠質層厚度有明確要求. 七、粘結指數( G ) 在規定條件下以煙煤在加熱后粘結專用無煙煤的能力,它是煤炭分類的重要標準之一,是冶煉精煤的重要指標。枯結指數越高,結焦性越強. 八、煤灰熔融性溫度(灰溶點) 在規定條件下得到的隨加熱溫度而變化的煤灰熔融性變形溫度( DT )、軟化溫度 ( ST )、流動溫度( FT ) ,常用軟化溫度( ST )來表示。灰熔融性溫度越高,煤灰不容易結渣。因鍋爐設計不同,對灰熔融性溫度要求也不一樣。煤灰熔融性溫度的高低,直接關系到煤作為燃料和氣化原料時的性能,煤灰熔融性溫度低,煤灰容易結渣,增加了排渣的難度,尤其是固態排渣的鍋爐和移動床的氣化爐,煤灰熔融性溫度要求較高。 九、哈氏可磨指數( HGI ) 哈氏可磨指數是反映煤的可磨性的重要指標。煤的可磨性是指一定量的煤在消耗相同的能量下,磨碎成粉的難易程度。可磨指數趙大,煤趙容易磨碎成粉。在發電煤粉鍋爐和高爐噴吹用煤,可磨指數是質量評價的一個重要指標。+、吉氏流動度( ddpm) 煤的流動度是表征煤在干餾時形成的膠質體的粘度,是煤的塑性指標之一。流動度是研究煤的流變性和熱分解力學的有效手段,又能表征煤的塑性,可以指導配煤和焦炭強度預測。吉氏流動度是以固定力矩在煤受熱形成的膠質體中轉動的大轉速表示的流動度指標,用每分鐘轉動的角度來表示。 十一、增鍋膨脹序數( CSN ) 增塌膨脹序數是在規定條件下以煤在增禍中加熱所得焦塊膨脹程序的序號表征煤的膨脹性和塑性指標.增禍膨脹序數的大小取決于煤灰熔融性、膠質體生成期間析氣情況和膠質體的不透氣性。 十二、焦渣特征( CRC ) 煤炭熱分解以后剩余物質的形狀。根據不同形狀分為 8 個序號,其序號即為焦渣特征代號。 十三、煤炭工業分析指標的基準(詳見有關章節)
上一篇:煤炭分一與分類常識 下一篇:煤炭灰分測定步驟 |
![]() |
![]() |
|||